二級生物安全柜介紹
II類生物安全柜(BSC)有多種類型。所有II類BSC類型都提供人員,環境和產品保護。 氣流被吸入機柜的前格柵,為人員提供保護。HEPA過濾空氣的向下流動通過最大程度地減少機柜工作表面交叉污染的機會來提供產品保護。排氣通過經過認證的HEPA過濾器,并且不含微粒,提供了環境保護。根據II類機柜的類型,廢氣可以再循環到實驗室(A1和A2型),也可以通過連接到建筑物廢氣的頂篷或“頂針”從建筑物中排出。B1型和B2型BSC的排氣必須通過硬連接直接排放到室外。
HEPA過濾器可有效捕獲顆粒物和傳染病,但不能捕獲揮發性化學物質或氣體。當與揮發性,有毒化學物質一起工作時,僅應使用排盡到外部的A2型或B1和B2型BSC,并且必須限制使用量。

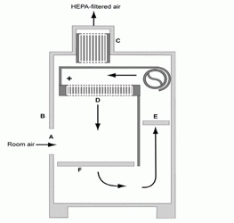
II類,A2型BSC(A)前開口的桌面模型;(B)腰帶; (C)排氣HEPA過濾器; (四)供應HEPA過濾器;(五)正壓通氣室;(六)負壓氣室。
可在生物安全柜中完成的工作類型:
- 涉及分配給生物安全等級1、2和3的微生物的工作。
- 哺乳動物組織培養
- 處理哺乳動物的血液和組織
- 處理可能引起氣溶膠的傳染性或潛在傳染性物質
- 藥物化合物的配方
僅限于B1和B2型的揮發性化學物質
生物安全柜必須以良好的習慣使用,以便為工人提供保護。建議采取以下措施以獲得最佳保護:
- 如果已關閉機柜,則鼓風機應在開始工作之前至少運行四分鐘,以使機柜“吹掃”。這種吹掃將清除機柜中的任何懸浮顆粒。
- 應使用70%的乙醇,1:100的家用漂白粉稀釋液或其他適當的消毒劑擦拭工作表面,內墻,窗戶的內表面以及放置在機柜中的材料。使用漂白劑時,需要用無菌水再次擦拭以除去殘留的氯,氯最終可能腐蝕不銹鋼表面。
- 開始工作之前,請將材料放在BSC中。這樣可以最大程度地減少空氣幕破壞的次數。
- BSC只能放置立即工作所需的材料和設備。
- 將工作流程安排為“干凈到臟”。
- 在開始工作之前,請確保窗扇返回到其原始位置。
- 緩慢地移入和移出手臂,以免打斷氣幕并危及安全殼。
- 將手/手臂放入內部后,應將材料處理延遲大約一分鐘。
- 所有操作應在距前格柵至少四英寸的工作面上進行。
- 將移液器收集在機柜內,以避免頻繁的向內/向外移動。在清除機柜內所有可能被污染的材料之前,請對其進行消毒。
- 限制房間內的其他活動(靠近機柜的運動,步行的交通,打開/關閉房間的門),因為這也可能破壞機柜的空氣屏障。
不能過分強調正確維護所有生物安全等級的工作柜。有源機柜是主要的封閉設備。必須按照嚴格的協議,由經過培訓的人員對BSC進行例行檢查和測試,以驗證BSC是否正常運行。每年進行一次認證,并且每當機柜移動一次。
- 上一篇:凈化工作臺介紹
- 下一篇:生物安全柜與通風柜有何不同

